EN
产品中心
Product Center
当前位置: 首页 - 产品中心 - 方形齿轮减速器 - 42JB30K
42JB30K
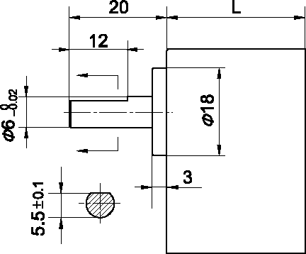
减速比参数Gear Ratio Parameter减速比Gear RatioL尺寸(mm) Dimension二级 Stage23.6 〜 1028.5三级Stage318 ...
输出轴轴承形式 Bearing at output滚动轴承Ball bearings
最大允许径向负载(离轴前端10mm处)
Max.Radialload(10mm from the shaft end)
≤50N
最大允许轴向负载 Max.shaft axial load≤15N
径向间隙(测量点尽量接近法兰)
Radial play of shaft (near to flange)
≤0.08mm
轴向间隙 Axial play of shaft≤0.4mm
背隙(无负载时)Backlash at no-load≤2°
输出轴最大承受压入力
Shaft press fit force,max
≤100N


产品详情
外形参考图
  • 减速比参数Gear Ratio Parameter

减速比Gear Ratio

L尺寸(mm) Dimension

二级 Stage2

3.6 〜 10

28.5

三级Stage3

18 〜 20

四级Stage4

24 〜 45


参数 Parameter

二级 Stage2

三级Stage3

四级Staged

传动效率

Transmission efficiency

81%

73%

66%

额定允许扭矩

Rated tolerance torque

0.5N.m

1.5N.m

3N.m

输入与输出转向

Input and output direction

同向 Same direction

反向 Reverse direction

同向 Same direction

瞬间允许扭矩

Max momentary tolerance torque

2倍额定扭矩 Two times of the rated torque

工作温度

Operating temperature

-10℃~ +80℃

使用相对湿度

Operating ambient humidity

20% ~ 85%RH

推荐输入转速

Recommend input speed

≤3000rpm


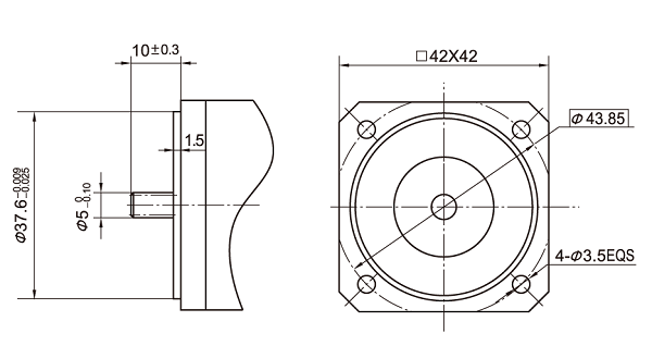
  • 电机配合方案Motor matching scheme

图片3.png

模数

Module

齿数

No.of teeth

二级

Stage2

三级

Stages

四级

Stage4

0.4(直齿)

10

3.6

18

24

7.2



9



10



0.4(斜齿)

9



50


图片1.png图片2.png

产品推荐
product recommendation
90CJB400K

90mm方形齿轮减速器,

允许转矩范围:40N.m


查看详情
90JB200K

90mm方形齿轮减速器

允许转矩范围:20N.m


查看详情
70JB80K

70mm方形齿轮减速器

允许转矩范围:8N.m


查看详情
80JB100K

80mm方形齿轮减速器

允许转矩范围:10N.m


查看详情
在线客服