EN
产品中心
Product Center
当前位置: 首页 - 产品中心 - 直流电机 - 52ZY95
52ZY95
产品特点和用途 Description of The Product 直径 52mm 的永磁直流电动机,密封结构,适合于各种要求低噪音的使...
产品详情
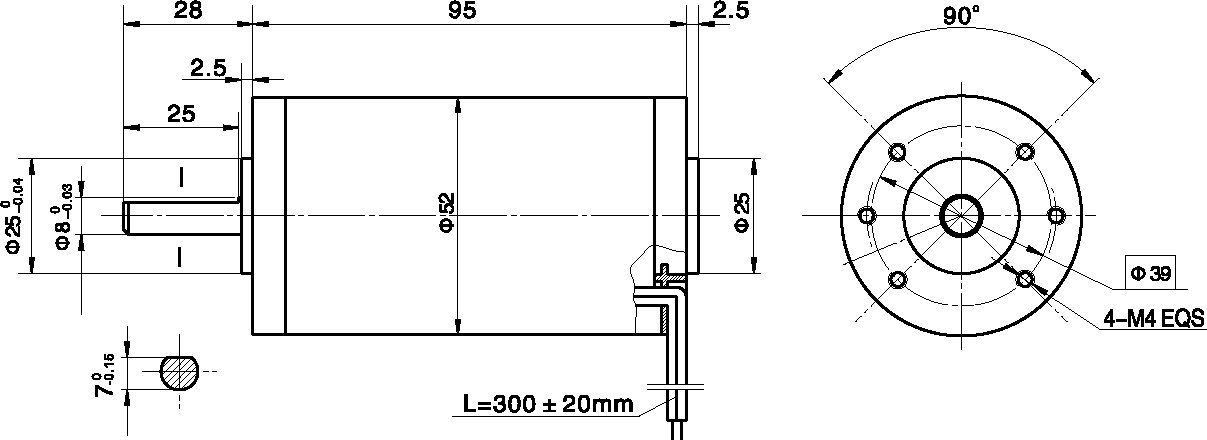
外形参考图
  • 产品特点和用途 Description of The Product 

直径 52mm 的永磁直流电动机,密封结构,适合于各种要求低噪音的使用场合。

52MM OD PMDC motor, totally enclosed, used in occasions which require motors with low noise.


  • 电动机主要技术参数 Motor Technical Data


电机型号

TYPE

额定电压

Rated

voltage VDC

空载转速

No-load 

speed 

r/min

空载电流

No-load 

current

A

额定转速

Rated 

speed 

r/min

额定转矩

Rated 

torque 

mN.m

输出功率

Output 

Power

W

额定电流

Rated 

current

A

堵转转矩

Stall 

torque 

mN.m

堵转电流

Stall 

current

A

52ZY95-2420

24

2000

0.2

1600

80

15

1.2

400

4.2

52ZY95-2430

24

3000

0.3

2400

100

25

1.8

410

6.0

52ZY95-2440

24

4000

0.4

3200

130

40

3.0

585

11



图片5.png

产品推荐
product recommendation
在线客服