EN
产品中心
Product Center
当前位置: 首页 - 产品中心 - 直流电机 - 52ZY125
52ZY125
产品特点和用途 Description of The Product 直径 52mm 的永磁直流电动机,密封结构,适合于各种要求低噪音的使...
产品详情
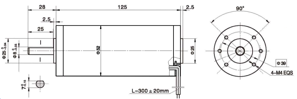
外形参考图
  • 产品特点和用途 Description of The Product 

直径 52mm 的永磁直流电动机,密封结构,适合于各种要求低噪音的使用场合。

52MM OD PMDC motor, totally enclosed, used in occasions which require motors with low noise


  • 电动机主要技术参数 Motor Technical Data


    电机型号

    TYPE

    额定电压

    Rated 

    voltage 

    VDC

    空载转速

    No-load

    speed r/min

    空载电流

    No-load 

    current

    A

    额定转速

    Rated 

    Speed 

    r/min

    额定转矩

    Rated 

    torque 

    mN.m

    输出功率

    Output 

    Power

    W

    额定电流

    Rated 

    current

    A

    堵转转矩

    Stall 

    torque 

    mN.m

    堵转电流

    Stall 

    Current

    A

    52ZY125-2420

    24

    2000

    0.40

    1600

    160

    30

    2.0

    620

    6.5

    52ZY125-2430

    24

    3000

    0.60

    2400

    190

    50

    3.5

    700

    11.5

    52ZY125-2440

    24

    4000

    0.80

    3200

    220

    80

    4.5

    838

    16.4



image.png

产品推荐
product recommendation
在线客服