行星齿轮减速器 Planetary Gearbox
内齿圈材料 | Ring material | 金属Metal |
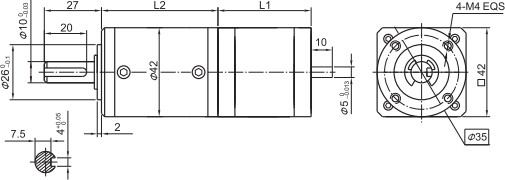
输出轴轴承形式 | Bearing at output | 滚动轴承Ball bearings |
最大允许径向负载(离法兰 12mm 处) Max. Radial load(12mm from flange) | ≤80N | |
最大允许轴向负载Max. shaft axial load | ≤30N | |
径向间隙(测量点尽量接近法兰) Radial play of shaft (near to flange) | ≤0.06 mm | |
轴向间隙 | Axial play of shaft | ≤0.3 mm |
背隙(无负载时)Backlash at no-load | ≤1.5° | |
42STH 混合式步进电机性能 42STH Hybrid Stepping Motor Specifications
Model No. | 额定电压Rated Voltage | 每相电流 Current /Phase | 每相电阻 Resistance /Phase | 电感 Inductance /Phase | 保持转矩Holding Torgue | 引出线数# of Leads | 转动惯量Rotor Inertia | 重 量 Weight | 长度L1 Length L1 | 适配减速比Max. Gear Ratio |
单轴 Single Shaft | V | A | Ω | mH | g.cm | g-m² | g | mm | ||
42STH38-1684A | 2.8 | 1.68 | 1.65 | 3.2 | 3.6 | 4 | 54 | 0.28 | 40 | ≤ 1:247 |
42STH47-1684A | 2.8 | 1.68 | 1.65 | 2.8 | 4.4 | 4 | 68 | 0.35 | 48 | ≤1:106 |
42JXGTS200K行星减速器性能 42JXGTS200K Planetary Gearbox Specification
减速比 Reduction ratio | 4.44 | 17 | 22 | 65 | 83 | 106 | 247 | 316 | 403 | 515 |
减速级数 Number of gear trains | 1 | 2 | 3 | 4 | ||||||
减速器长度(L2) Length(L2) mm | 38.2 | 49.7 | 60.0 | 70.3 | ||||||
最大额定转矩 kg. cm Max. rated torque | 60 | 100 | 160 | 200 | ||||||
瞬间允许转矩 kg.cm Short time permissible torque | 180 | 300 | 480 | 600 | ||||||
效率 Efficiency % | 90% | 81% | 73% | 66% | ||||||
重量 Weight g | 350 | 450 | 550 | 650 | ||||||
矩频曲线 Frequency-torque Characteristics

在线客服