无刷电动机主要技术参数 Motor Technical Data
电机型号 TYPE | 极数 Number of poles | 相数 Number of phase | 额定电压 Rated voltage VDC | 空载转速 No-load speed r/min | 额定转速 Rated speed r/min | 额定转矩 Rated torque mN.m | 额定电流 Rated current A | 输出功率 Output power W |
42ZWNP59-2440 | 10 | 3 | 24 | 4000 | 3000 | 68 | 1.2 | 21 |
无刷行星齿轮减速电机主要技术参数 Brushless Gear Motor Technical Data
配置42ZWNP59-2440无刷直流电机(42ZWNP59-2440 BLDC Motor)
减速比 Reduction ratio | 4.44 | 17 | 22 | 65 | 83 | 106 | 247 | 316 | 403 | 515 |
减速级数 Number of gear trains | 1 | 2 | 2 | 3 | 3 | 3 | 4 | 4 | 4 | 4 |
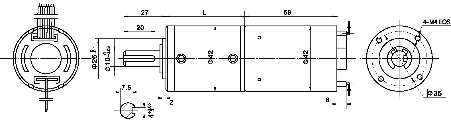
减速器长度(L) Length(L) mm | 37.5 | 48.0 | 48.0 | 58.3 | 58.3 | 58.3 | 68.6 | 68.6 | 68.6 | 68.6 |
空载速度 No-load speed r/min | 901 | 235 | 182 | 62 | 48 | 38 | 16 | 13 | 10 | 7.8 |
额定转速 Rated speed rAnin | 676 | 176 | 136 | 46 | 36 | 28 | 12 | 9 | 7 | 5.8 |
额定转矩 Rated torque N.m | 0.27 | 0.94 | 1.2 | 3.2 | 4.1 | 5.3 | 11 | 14 | 18 | 20 |
最大瞬间允许负载 N.m Max. permissible load in a short time | 6 | 25 | 25 | 50 | 50 | 50 | 60 | 60 | 60 | 60 |
接线方式 Wire Diagram

在线客服