EN
产品中心
Product Center
当前位置: 首页 - 产品中心 - 行星齿轮减速器 - 72JX850K
72JX850K
减速比参数Gear Ratio Parameter减速比Gear RatioL尺寸(mm) Dimension—级 Stage13.7 ~ 6.7556二级 Stage21...
内齿圈材料 Housing material金属Metal
输出轴轴承形式 Bearing at output滚动轴承Ball bearings
最大允许径向负载(离法兰20mm处)
Max.Radial load(20mm from flange)
≤320N
最大允许轴向负载 Max.shaft axial load≤160N
径向间隙(测量点尽量接近法兰)
Radial play of shaft (near to flange)
≤0.08mm
轴向间隙 Axial play of shaft≤0.4mm
背隙(无负载时)Backlash at no-load≤1.5°
输出轴最大承受压入力
Shaft press fit force,max
≤400N


产品详情
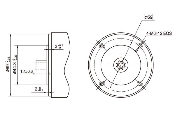
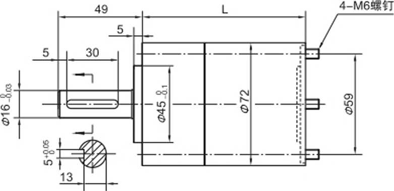
外形参考图
  • 减速比参数Gear Ratio Parameter

减速比Gear Ratio

L尺寸(mm) Dimension

—级 Stage1

3.7 ~ 6.75

56

二级 Stage2

14 ~46

75.5

三级 Stage3

51 ~ 308

95.5


参数 Parameter

—级 Stagel

二级 Stage2

三级Stage3

传动效率

Transmission efficiency

90%

81%

73%

额定允许扭矩

Rated tolerance torque

15N.m

45N.m

85N.m

瞬间允许扭矩

Max momentary tolerance torque

3倍额定扭矩 Three times of the rated torque

工作温度

Operating temperature

-10℃~ +80℃

使用相对湿度

Operating ambient humidity

20% 〜85%RH

推荐输入转速

Recommend input speed

≤4000rpm

输入与输出转向

Input and output direction

同向 Same direction


  • 电机配合方案Motor matching scheme

图片16.png


模数

Module

齿数

No.of teeth

—级

Stagel

二级

Stage2

三级

Stages

1.0

17

3.7

14

51

14

4.28

16

59


18

68



79

11

5.18

19

71


22

82


27

95



100



115



139

 

8

6.75

25

107


29

124


35

130


46

150



169



181



195



236



308


图片14.png图片15.png

产品推荐
product recommendation
52JXM200K

Φ52行星减速器

允许转矩范围:2N.m〜20N.m


查看详情
56JX300K

Φ56行星减速器

允许转矩范围:3N.m〜30N.rn


查看详情
82JX1200K

Φ82行星减速器

允许转矩范围:20N.m〜120N.m


查看详情
32JX30K

Φ32行星减速器

允许转矩范围:0.3N.m〜3.0N.m


查看详情
在线客服