EN
产品中心
Product Center
当前位置: 首页 - 产品中心 - 行星齿轮减速器 - 82JX1200K
82JX1200K
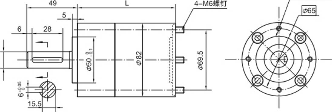
减速比参数Gear Ratio Parameter减速比Gear RatioL尺寸(mm) Dimension—级 Stage13.7 ~ 766二级 Stage214 ~...
内齿圈材料 Housing material金属Metal
输出轴轴承形式 Bearing at output滚动轴承Ball bearings
最大允许径向负载(离法兰20mm处)
Max.Radial load(20mm from flange)
≤400N
最大允许轴向负载Max.shaft axial load≤200N
径向间隙(测量点尽量接近法兰)
Radial play of shaft (near to flange)
≤0.08mm
轴向间隙 Axial play of shaft≤0.4mm
背隙(无负载时)Backlash at no-load≤1.5°
输出轴最大承受压入力
Shaft press fit force, max
≤500N


产品详情
外形参考图
  • 减速比参数Gear Ratio Parameter

减速比Gear Ratio

L尺寸(mm) Dimension

—级 Stage1

3.7 ~ 7

66

二级 Stage2

14 ~ 48

90

三级 Stage3

50 ~ 329

115


参数 Parameter

—级 Stage1

二级 Stage2

三级Stage3

传动效率

Transmission efficiency

90%

81%

73%

额定允许扭矩

Rated tolerance torque

20N.m

60N.m

120N.m

瞬间允许扭矩

Max momentary tolerance torque

3倍额定扭矩 Three times of the rated torque

工作温度

Operating temperature

-10℃~ +80℃

使用相对湿度

Operating ambient humidity

20% 〜85%RH

推荐输入转速

Recommend input speed

≤4000rpm

输入与输出转向

Input and output direction

同向 Same direction


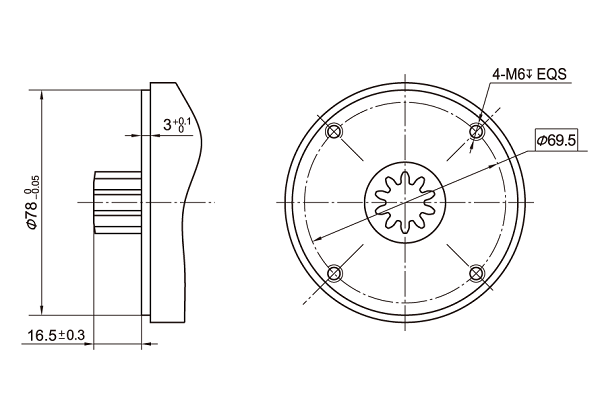
  • 电机配合方案Motor matching scheme

图片18.png

模数

Module

齿数

No.of teeth

—级

Stagel

二级

Stage2

三级

Stages

0.9

22

3.7

14

50

19

4.1

15

56



69

16

5

17

64


19

71


22

79



90

10

7

25

94


28

104


32

116


48

133



152



175



195



223



329


图片17.png

产品推荐
product recommendation
72JX850K

Φ72行星减速器

允许转矩范围:15N.m〜85N.m


查看详情
56JX300K

Φ56行星减速器

允许转矩范围:3N.m〜30N.rn


查看详情
36JX30K

Φ36行星减速器

允许转矩范围:0.3N.m〜3.0N.m


查看详情
32JX30K

Φ32行星减速器

允许转矩范围:0.3N.m〜3.0N.m


查看详情
在线客服