EN
产品中心
Product Center
当前位置: 首页 - 产品中心 - 行星齿轮减速器 - 36JX30K
36JX30K
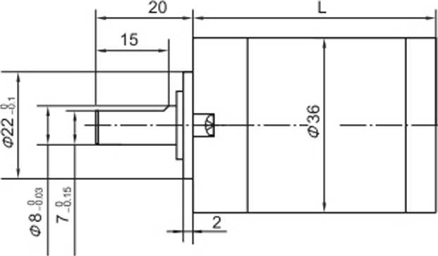
减速比参数Gear Ratio Parameter减速比Gear RatioL尺寸(mm) Dimension—级 Stage13.7 ~ 5.226.5二级 Stage2...
内齿圈材料 Housing materialE型:金属Matal F型:金属粉末Powder matal
输出轴轴承形式 Bearing at output滚动轴承Ball bearings
最大允许径向负载(离法兰10mm处)
Max.Radial load(1Omm from flange)
≤50N
最大允许轴向负载Max.shaft axial load≤30N
径向间隙(测量点尽量接近法兰
Radial play of shaft (near to flange)
≤0.07mm
轴向间隙 Axial play of shaft≤0.3 mm
背隙(无负载时)Backlash at no-load≤1.5°
输出轴最大承受压入力
Shaft press fit force,max
≤120N


产品详情
外形参考图
  • 减速比参数Gear Ratio Parameter

减速比Gear Ratio

L尺寸(mm) Dimension

—级 Stage1

3.7 ~ 5.2

26.5

二级 Stage2

14 ~ 27

33.6

三级Stage3

51 ~ 139

40.5

四级Stage4

189 ~720

47.4


参数 Parameter

—级 Stage1

二级 Stage2

三级Stage3

四级Stage4

传动效率

Transmission efficiency

90%

81%

73%

66%

额定允许扭矩

Rated tolerance torque

0.3N.m

1.2N.m

2.5N.m

3.0N.m

瞬间允许扭矩

Max momentary tolerance torque

3倍额定扭矩 Three times of the rated torque

工作温度

Operating temperature

-10℃ ~ +80℃

使用相对湿度

Operating ambient humidity

20% ~ 85%RH

推荐输入转速

Recommend input speed

≤4000rpm

输入与输出转向

Input and output direction

同向 Same direction


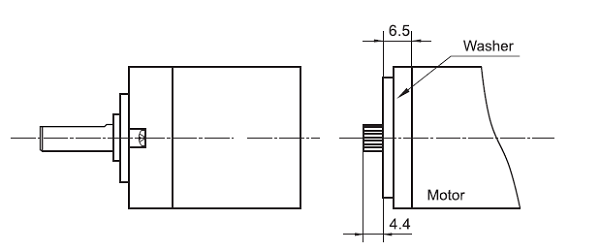
  • 电机配合方案Motor matching scheme

图片3.png

模数

Module

齿数

No.of teeth

—级 Stagel

二级 Stage2

三级 Stage3

四级 Stage4

0.5

17

3.7

14

51

189

11

5.2

19

71

264


27

100

369



139

516




720


图片1.png图片2.png

产品推荐
product recommendation
82JX1200K

Φ82行星减速器

允许转矩范围:20N.m〜120N.m


查看详情
52JXM200K

Φ52行星减速器

允许转矩范围:2N.m〜20N.m


查看详情
56JX300K

Φ56行星减速器

允许转矩范围:3N.m〜30N.rn


查看详情
72JX850K

Φ72行星减速器

允许转矩范围:15N.m〜85N.m


查看详情
在线客服