EN
产品中心
Product Center
当前位置: 首页 - 产品中心 - 直流电机 - 63ZY125
63ZY125
产品特点和用途 Description of The Product 直径 63mm 的永磁直流电动机,密封结构,适合于各种要求低噪音的使...
产品详情
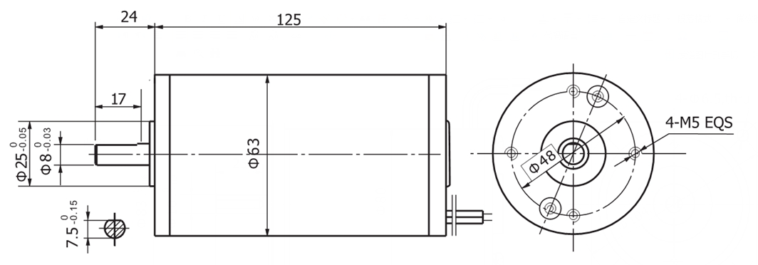
外形参考图
  • 产品特点和用途 Description of The Product 

直径 63mm 的永磁直流电动机,密封结构,适合于各种要求低噪音的使用场合。

63MM OD PMDC motor, totally enclosed, used in occasions which require motors with low noise.


  • 电动机主要技术参数 Motor Technical Data


    电机型号

    TYPE

    额定电压

    Rated 

    voltage 

    VDC

    空载转速

    No-load 

    speed 

    r/min

    空载电流

    No-load 

    current

    A

    额定转速

    Rated 

    speed 

    r/min

    额定转矩

    Rated 

    torque 

    mN.m

    输出功率

    Output 

    Power

    W

    额定电流

    Rated 

    current

    A

    堵转转矩

    Stall 

    torque 

    mN.m

    堵转电流

    Stall 

    current

    A

    63ZY125-2430

    24

    3000

    0.5

    2500

    265

    65

    4.6

    950

    15.2

    63ZY125-2435

    24

    3500

    0.8

    2800

    320

    95

    6.0

    1100

    19.3

    63ZY125-2440

    24

    4000

    1.2

    3200

    450

    150

    9.0

    1200

    22.6



1497520182537103.png

产品推荐
product recommendation
在线客服