EN
产品中心
Product Center
当前位置: 首页 - 产品中心 - 永磁直流蜗轮减速电机 - 63JW/63ZY125
63JW/63ZY125
产品特点和用途 Description of The Product1、适合减速器输出轴与电机成 90。的使用场合。2、可以制造 12V...
  • 永磁直流蜗轮减速电机

    63JW/63ZY125

  • 允许转矩范围:8N.m


产品详情
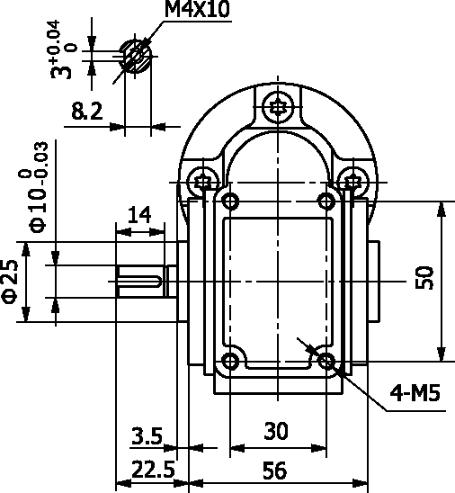
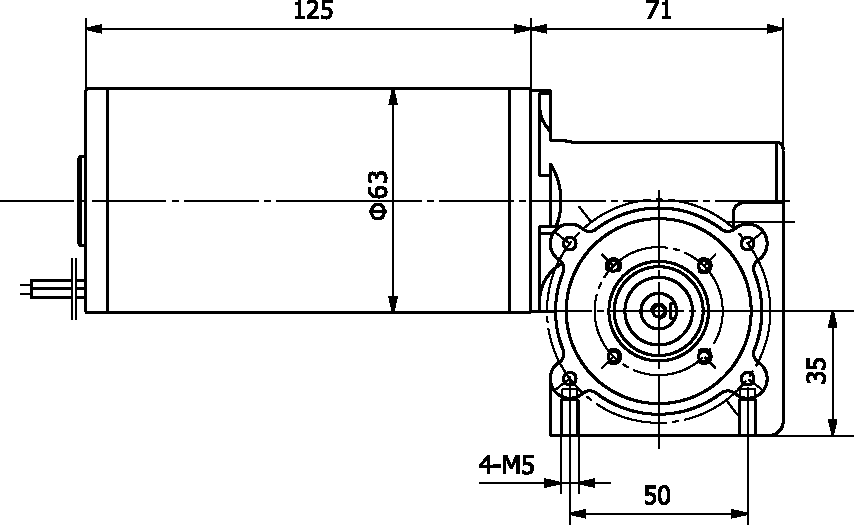
外形参考图
  • 产品特点和用途 Description of The Product

1、适合减速器输出轴与电机成 90。的使用场合。

2、可以制造 12VDC 的产品,电动机转速根据需要可以调整。

3、电动机可以带编码器和刹车。

1、Suitable application: gearbox and motor output shafts form a right angle. 2、12VDC is available, motor speed is adjustable upon request.

3、Encoder & brake is available upon request.


  • 电动机主要技术参数  Motor Technical Data

电机型号

Type

额定电压

Rated 

voltage 

VDC

空载转速

No-load 

speed 

r/min

空载电流

No-load 

current

A

额定转速

Rated 

speed 

r/min

额定转矩

Rated 

Torque 

mN.m

输出功率

Output 

power

W

额定电流

Rated 

current

A

堵转转矩

Stall 

torque 

mN.m

堵转电流

Stall 

Current

A

63ZY125-2430

24

3000

0.5

2600

0.25

70

4.6

1.1

20

63ZY125-3633

36

3300

0.5

2700

0.34

100

4.0

1.6

16


  • 齿轮减速电机主要技术参数 Gear Motor Technical Data

配置 63ZY125-2430 直流电机(63ZY125-2430 DC Motor)

减 速 比 Reduction ratio

30

15

10

减速级数 Number of gear trains

1

2

3

空载转速 No-load speed r/min

100

200

300

额定转速 Rated speed r/min

87

173

260

额定转矩 Rated torque N.m

5.2

3.0

2.1

最大瞬间允许负载 N.m Max. permissible load in a short time

8.0

5.0

5.0


配置 63ZY125-3633 直流电机(63ZY125-3633 DC Motor)

减 速 比 Reduction ratio

30

15

10

减速级数 Number of gear trains

1

2

3

空载转速 No-load speed r/min

110

220

330

额定转速 Rated speed r/min

90

180

270

额定转矩 Rated torque N.m

7.1

4.0

2.9

最大瞬间允许负载 N.m Max. permissible load in a short time

8.0

5.0

5.0



图片3.png    图片4.png

产品推荐
product recommendation
90JW/JB/80ZY115

永磁直流蜗轮减速电机

90JW/JB/80ZY115

允许转矩范围:20N.m


查看详情
90JW/83ZY125

永磁直流蜗轮减速电机

90JW/83ZY125

允许转矩范围:20N.m


查看详情
63JW/63ZY105

三相蜗轮减速电机40-90W

63JW/63ZY105

允许转矩范围:20N.m


查看详情
90JW/60JX/60ZY

永磁直流蜗轮减速电机

90JW/60JX/60ZY

允许转矩范围:20N.m


查看详情
在线客服