EN
产品中心
Product Center
当前位置: 首页 - 产品中心 - 永磁直流蜗轮减速电机 - 90JW/83ZY125
90JW/83ZY125
产品特点和用途 Description of The Product1、全部滚动轴承的配置,可以提供左出轴、右出轴、空心出轴。2、...
  • 永磁直流蜗轮减速电机

    90JW/83ZY125

  • 允许转矩范围:20N.m


产品详情
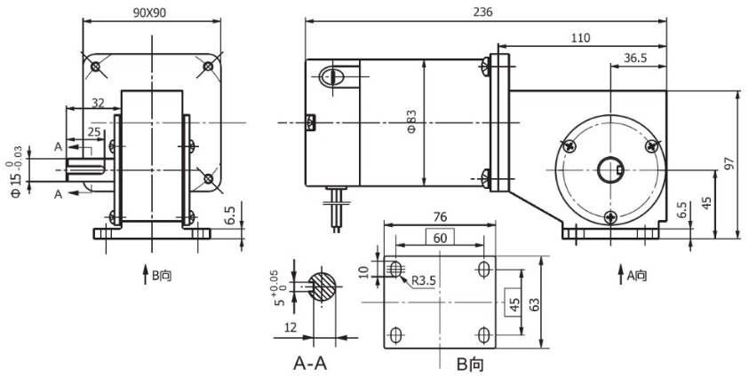
外形参考图
  • 产品特点和用途 Description of The Product

1、全部滚动轴承的配置,可以提供左出轴、右出轴、空心出轴。

2、客户可以在空心出轴内自行配置各种长度、形状、方向的输出轴。

1、All equipped with ball bearings, left, right or hollow output shaft are available.

2、Customers can equip output shafts of different length, shape or directions within hollow shaft.


  • 电动机主要技术参数  Motor Technical Data

电机型号

Type

额定电压

Rated 

voltage 

VDC

空载转速

No-load 

speed 

r/min

空载电流

No-load 

current

A

额定转速

Rated 

speed 

r/min

额定转矩

Rated 

Torque 

mN.m

输出功率

Output 

power

W

额定电流

Rated 

current

A

堵转转矩

Stall 

torque 

mN.m

堵转电流

Stall 

Current

A

83ZY125-2420

24

2000

0.8

1700

0.24

42

3.5

1.6

17

83ZY125-2430

24

3000

0.9

2500

0.30

77

4.6

1.8

20


  • 齿轮减速电机主要技术参数 Gear Motor Technical Data

配置 83ZY125-2420 直流电机(83ZY125-2420 DC Motor)

减 速 比 Reduction ratio

50

40

32

25

16

12.5

减速级数 Number of gear trains

1

1

1

1

2

2

空载转速 No-load speed r/min

40

50

62

80

125

160

额定转速 Rated speed r/min

30

37

46

60

93

120

额定转矩 Rated torque N.m

8.4

6.7

5.3

4.2

3.0

2.4

最大瞬间允许负载 N.m Max. permissible load in a short time

20

20

20

20

10

10


配置 83ZY125-2430 直流电机(83ZY125-2430 DC Motor)

减 速 比 Reduction ratio

50

40

32

25

16

12.5

减速级数 Number of gear trains

1

1

1

1

2

2

空载转速 No-load speed r/min

60

75

93

120

187

240

额定转速 Rated speed r/min

46

57

71

92

143

184

额定转矩 Rated torque N.m

10.5

8.4

6.7

5.2

3.8

3.0

最大瞬间允许负载 N.m Max. permissible load in a short time

20

20

20

20

10

10



image.png

说明:产品出厂时左出轴是常规配置,如要求右出轴需在订货时特别说明。

Remarks:Standard product is left output shaft, right output shaft is available upon request.


产品推荐
product recommendation
90JW/60JX/60ZY

永磁直流蜗轮减速电机

90JW/60JX/60ZY

允许转矩范围:20N.m


查看详情
90JW/JB/80ZY115

永磁直流蜗轮减速电机

90JW/JB/80ZY115

允许转矩范围:20N.m


查看详情
63JW/63ZY105

三相蜗轮减速电机40-90W

63JW/63ZY105

允许转矩范围:20N.m


查看详情
63JW/63ZY125

永磁直流蜗轮减速电机

63JW/63ZY125

允许转矩范围:8N.m



查看详情
在线客服